产品中心
CS49H型 圆盘式疏水阀
【产品说明】
CS49H-16、S49H-16、CS49-16C、CS49H-25、CS49H-40 圆盘式蒸汽疏水阀:法兰连接、圆盘热动力结构形式,阀座密封面材料为Cr13 系不锈钢,公称压力PN16~PN40,阀体材料为灰铸铁(CS49H-16、S49H-16)、碳钢(CS49H-16C、CS49H-25、CS49H-40)的蒸汽疏水阀。圆盘式疏水阀用来自动排除蒸汽管道,用热设备中的凝结水,以保证管道畅通,提高热效率。用于石油、化工、食品、印染、纺织、医药等行业的蒸汽管网中的蒸汽总管、支管、汽水分离器等场合,还可用于烘房、烘箱、热压机等用汽设备中。
【工作原理】
圆盘式蒸汽疏水阀是根据伯努力热动力原理,利用蒸汽和凝结水的热动力学不同的特性,引起动能和势能动静压变化.使动作件阀片上下压差变化,启动阀片开启和关闭,从而达到阻汽排水目的。
【产品性能参数】
CS49H-16、S49H-16、CS49-16C、CS49H-25、CS49H-40 圆盘式疏水阀主要性能参数 | |||||
型号 | PN | 工作压力/MPa | 适用温度/℃ | 适用介质 | |
CS49H-16、S49H-16 | 16 | 1.6 | ≤203 | 蒸汽、凝结水 | |
CS49H-16C | 16 | 1.6 | ≤203 | ||
CS49H-25 | 25 | 2.5 | ≤210 | ||
CS49H-40 | 40 | 4.0 | ≤247 | ||
【产品零部件材料】
CS49H-16、S49H-16、CS49-16C、CS49H-25、CS49H-40 圆盘式疏水阀零部件材料 | |||
型号 | 材料 | ||
阀体、阀盖 | 阀座、阀杆、过滤网 | ||
CS49H-16、S49H-16 | 灰铸铁 | 不锈钢 | |
CS49H-16C | 碳素铸钢 | 不锈钢 | |
CS49H-25 | 碳素铸钢 | 不锈钢 | |
CS49H-40 | 碳素铸钢 | 不锈钢 | |
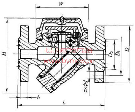
【产品外形及结构尺寸】
CS49H-16、S49H-16、CS49-16C 圆盘式疏水阀主要外形及结构尺寸(mm) | ||||||||
DN | L | H | D | D1 | D2 | b | z×Φd | 重量/kg |
15 | 150 | 70 | 95 | 56 | 54 | 16 | 4×Φ13.5 | 4 |
20 | 190 | 70 | 105 | 75 | 58 | 16 | 4×Φ13.5 | 4.2 |
25 | 200 | 70 | 115 | 85 | 68 | 16 | 4×Φ13.5 | 4.5 |
32 | 230 | — | 135 | 100 | 78 | 18 | 4×Φ17.5 | 6 |
40 | 230 | — | 145 | 110 | 85 | 18 | 4×Φ17.5 | 8 |
50 | 230 | — | 160 | 125 | 100 | 20 | 4×Φ17.5 | 9 |
65 | 270 | — | 185 | 145 | 122 | 20 | 4×Φ17.5 | 13.5 |
80 | 280 | — | 200 | 160 | 133 | 22 | 4×Φ17.5 | 17.5 |
100 | 300 | — | 215 | 180 | 155 | 24 | 4×Φ17.5 | 20 |
【产品外形及结构尺寸】
CS49H-25 圆盘式蒸汽疏水阀主要外形及结构尺寸(mm) | |||||
DN | L | D | D1 | H | z×Φd |
15 | 150 | 95 | 65 | 105 | 4×Φ14 |
20 | 150 | 105 | 75 | 105 | 4×Φ14 |
25 | 160 | 115 | 85 | 110 | 4×Φ14 |
32 | 230 | 135 | 100 | 115 | 4×Φ18 |
40 | 230 | 150 | 110 | 125 | 4×Φ18 |
50 | 230 | 165 | 125 | 135 | 4×Φ18 |
【产品外形及结构尺寸】
CS49H-40 圆盘式蒸汽疏水阀主要外形及结构尺寸(mm) | |||||||
DN | L | D | D1 | D2 | D6 | z×Φd | 重量/kg |
15 | 150 | 95 | 65 | 46 | 40 | 4×Φ14 | 2.7 |
20 | 150 | 105 | 75 | 56 | 51 | 4×Φ14 | 3.2 |
25 | 160 | 115 | 85 | 65 | 58 | 4×Φ14 | 3.7 |
40 | 230 | 150 | 110 | 84 | 76 | 4×Φ18 | 8.5 |
50 | 230 | 165 | 125 | 99 | 88 | 4×Φ18 | 10.5 |
【产品外形及结构尺寸示意图】

联系我们
- 在线沟通
- 邮件联系
- 咨询电话 18800004070
- 咨询电话 13811335563
- 返回顶部

