产品中心
H7B41X型 液控止回阀
零售价
0.00
元
市场价
0.00
元
浏览量:
1148
产品编号
数量
-
+
库存:
0
产品介绍
参数
【产品用途】
H7B41X-16、H7B41X-16C 型液控止回阀适用于常压锅炉的回水管路上,利用发送管路自身压力变化控制本阀的开启与关闭,本8868在线官网登录入口属于常闭阀,能有效防止因突然断电或因其它原因引起循环水泵停止工作时引起锅炉溢水,它可代替价格昂贵的电磁控制系统。
产品性能参数
型号 | PN | 工作压力/MPa | 适用温度/℃ | 适用介质 |
H7B41X-16 | 16 | 1.6 | ≤70 | 水、油品 |
H7B41X-16C | 16 | 1.6 | ≤425 | 水、油品 |
【产品零部件材料】
型号 | 材料 | ||
阀体、阀盖 | 阀杆、阀瓣、阀座 | 弹簧 | |
H7B41X-16 | 灰铸铁 | 2Cr13 | 50CrVA |
H7B41X-16C | WCB | ||
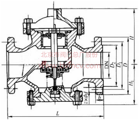
【产品外形及结构尺寸(mm)】
DN | L | D | D1 | D2 | b | z0000d | H | H1 | 重量/kg |
40 | 220 | 150 | 110 | 88 | 18 | 88888888.5 | 175 | 115 | 28 |
50 | 250 | 165 | 125 | 102 | 20 | 88888888.5 | 175 | 115 | 28 |
65 | 280 | 185 | 145 | 122 | 20 | 88888888.5 | 195 | 135 | 34 |
80 | 310 | 200 | 160 | 133 | 20 | 88888888.5 | 215 | 155 | 40 |
100 | 350 | 220 | 180 | 158 | 24 | 88888888.5 | 215 | 155 | 49 |
125 | 400 | 250 | 210 | 184 | 24 | 88888888.5 | 240 | 170 | 78 |
150 | 450 | 285 | 240 | 212 | 26 | 88888888 | 240 | 170 | 111 |
200 | 500 | 340 | 295 | 268 | 26 | 88888888 | 280 | 190 | 155 |
【结构图片】

联系我们
- 在线沟通
- 邮件联系
- 咨询电话 18800004070
- 咨询电话 13811335563
- 返回顶部

