产品中心
Q341F/Y 蜗杆传动球阀
产品说明
Q341F、Q341Y 型PN16~PN40 蜗杆传动球阀:蜗杆传动、法兰连接、浮动球直通式结构形式,阀座密封面材料为PTFE、增强PTFE塑料(Q341F)、金属堆焊钴基(Q341Y),公称压力PN16~PN40,阀体材料为WCB、CF8、CF8M的球阀。
产品性能参数
Q341F、Q341Y 型PN16~PN40 蜗杆传动球阀主要性能参数 | ||||
型号 | PN | 工作压力/MPa | 适用温度/℃ | 适用介质 |
Q341F-16C | 16 | 1.6 | ≤180 | 水、气、油 |
Q341F-25 | 25 | 2.5 | ||
Q341F-40 | 40 | 4.0 | ||
Q341Y-16C | 16 | 1.6 | ≤425 | 水、气、油含颗粒介质 |
Q341Y-25 | 25 | 2.5 | ||
Q341Y-40 | 40 | 4.0 | ||
Q341F-16P | 16 | 1.6 | ≤180 | 硝酸类 |
Q341F-25P | 25 | 2.5 | ||
Q341F-40P | 40 | 4.0 | ||
Q341Y-16P | 16 | 1.6 | ≤450 | 水、气、油含颗粒介质 |
Q341Y-25P | 25 | 2.5 | ||
Q341Y-40P | 40 | 4.0 | ||
Q341F-16R | 16 | 1.6 | ≤180 | 硝酸类 |
Q341F-25R | 25 | 2.5 | ||
Q341F-40R | 40 | 4.0 | ||
Q341Y-16R | 16 | 1.6 | ≤450 | 水、气、油含颗粒介质 |
Q341Y-25R | 25 | 2.5 | ||
Q341Y-40R | 40 | 4.0 | ||
产品零部件材料
Q341F、Q341Y 型PN16~PN40 蜗杆传动球阀零部件材料 | |||||
型号 | 材料 | ||||
阀体 | 阀杆 | 密封面 | 填料 | ||
Q341F-16C | WCB | 2Cr13 | PTFE、增强PTFE | PTFE | |
Q341F-25 | |||||
Q341F-40 | |||||
Q341Y-16C | 金属堆焊钴基 | 柔性石墨 | |||
Q341Y-25 | |||||
Q341Y-40 | |||||
Q341F-16P | CF8 | 304 | PTFE、增强PTFE | PTFE | |
Q341F-25P | |||||
Q341F-40P | |||||
Q341Y-16P | 金属堆焊钴基 | 柔性石墨 | |||
Q341Y-25P | |||||
Q341Y-40P | |||||
Q341F-16R | CF8M | 316 | PTFE、增强PTFE | PTFE | |
Q341F-25R | |||||
Q341F-40R | |||||
Q341Y-16R | 金属堆焊钴基 | 柔性石墨 | |||
Q341Y-25R | |||||
Q341Y-40R | |||||
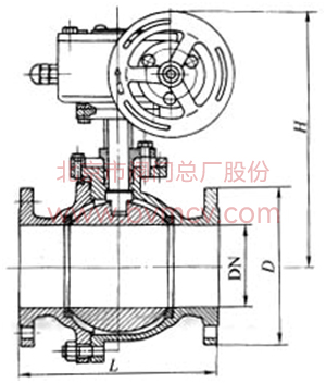
产品外形及结构尺寸
Q341F、Q341Y 型PN16 蜗杆传动球阀主要外形及结构尺寸(mm) | ||||
DN | L | D | H | 重量/kg |
125 | 320 | 245 | 542 | 110 |
150 | 360 | 280 | 572 | 130 |
200 | 457 | 335 | 638 | 200 |
250 | 533 | 405 | 828 | 245 |
300 | 610 | 460 | 948 | 500 |
Q341F、Q341Y 型PN25 蜗杆传动球阀主要外形及结构尺寸(mm) | ||||
DN | L | D | H | 重量/kg |
100 | 305 | 230 | 528 | 90 |
125 | 381 | 270 | 547 | 130 |
150 | 403 | 300 | 592 | 170 |
200 | 419 | 360 | 791 | 250 |
250 | 568 | 425 | 926 | 385 |
300 | 648 | 485 | 948 | 625 |
Q341F、Q341Y 型PN40 蜗杆传动球阀主要外形及结构尺寸(mm) | ||||
DN | L | D | H | 重量/kg |
100 | 305 | 230 | 528 | 95 |
125 | 381 | 270 | 547 | 135 |
150 | 403 | 300 | 592 | 175 |
200 | 419 | 375 | 791 | 265 |
250 | 568 | 445 | 926 | 524 |
300 | 648 | 510 | 948 | 665 |
产品外形及结构尺寸示意图

联系我们
- 在线沟通
- 邮件联系
- 咨询电话 18800004070
- 咨询电话 13811335563
- 返回顶部

